補助塔付 複式空気分離装置 -プラント・エンジニアリング分野
消費動力の増大を抑えた高圧製品の採取プロセス (登録特許第5417054号)
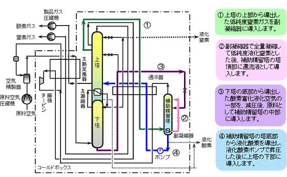
空気を深冷分離することによって高圧の酸素ガスと窒素ガスを製造するプロセスです。
本空気分離装置では、下塔、上塔、主凝縮器で構成される複式精留プロセスにおいて、図のように補助精留塔を追加しました。 補助精留塔は上塔より低い運転圧力で操作され、蒸留によってその底部に液化酸素を分離し、上塔に導入します。

特長
- 原料空気圧力を高く設定した場合でも高い酸素回収率を維持でき、消費動力の増大を抑えることができます。
- 空気精製器、コールドボックス、配管、製品ガス圧縮機、膨張タービンなどの機器をコンパクトに設計できます。